CONTACT Mardi - Jeudi - Vendredi UNIQUEMENT de 14h à 17h
Contactez-nous !
cliquez
ici
Bienvenue !
Mon compte
Pièces d'origine CFMOTO
Pièces d'origine Quad CFMOTO
Catalogue d'accessoires
Huiles et lubrifiants
Tous nos sites
Manuel d'atelier
Mon compte
Pièces d'origine CFMOTO
Pièces d'origine Quad CFMOTO
Catalogue d'accessoires
Huiles et lubrifiants
Tous nos sites
Manuel d'atelier
Nous contacter
CF800UU-A
2V91W ENGINE(LONG FRONT OUTPUT SHAFT) - E00-1
2V91W ENGINE(SHORT FRONT OUTPUT SHAFT) - E00-2
AIR FILTER ASSY. - F41
ARGENTINA WARNING DECALS - F19-B
AUSTRALIA BRAND DECALS - F19-D
AUSTRIA SPECIAL AGRICULTURA - F19-I
BODY ACCESSORIES - F26-1
BODY ACCESSORIES - F26-2
BODY ACCESSORIES - F26-3
BOTTOM PLASTIC - F04-4
BRAKE SYSTEM(ORDINARY) - F08-A
BRAKE SYSTEM(SINTERED PAD) - F08-B
BUMPER - F23
CAMSHAFT OF CYLINDER 1 ASSY. - E02-4
CAMSHAFT OF CYLINDER 2 ASSY. - E02-7
CARGO BOX - F22-1
CARGO BOX - F22-2
CLUTCH AND CVT ASSY - E05
CLUTCH ASSY - E05-4
CLUTCH HOUSING ASSY - E05-3
CRANKCASE ASSY. - E01
CRANKSHAFT @^ CONNETING GOD @^ PISTON ASSY - E04
CVT AIR PIPE@^SIDE COVER - F00-1
CVT CASE ASSY. - E01-3
CVT COVER ASSY. - E01-5
CYLINDER ASSY. - E02-3
CYLINDER HEAD AND CYLINDER ASSY. - E02-V2
CYLINDER HEAD COVER ASSY. - E02-1
CYLINDER HEAD NO.1 ASSY. - E02-2-V2
CYLINDER HEAD NO.2 ASSY. - E02-6-V2
DASHBOARD - F17
DRIVE PULLEY - E05-1
DRIVEN PULLEY(CVtech) - E05-2-B
DRIVEN PULLEY(HL) - E05-2-A
DRIVETRAIN SYSTEM - F30
ELECTRIC SYSTEM - F15-1-A
ELECTRIC SYSTEM(LOF) - F15-3
ELECTRIC SYSTEM(RU) - F15-1-B
ENGINE GASKET SET - E29
ENGINE MOUNTING PARTS - F00-2
ENGINE OIL SEAL @^O-RING - E30
EUROPE WARNING DECALS - F19-C
FAN ASSY. - E18
FIVE POINT SEAT BELTS - F34-B
FRAME - F03-V1
FRAME - F03-V2
FRONT AXLE - F31
FRONT CV SHAFT - F27-A
FRONT CV SHAFT - F27-B
FRONT CV SHAFT - F27-C
FRONT PLASTIC - F04-1
FRONT SUSPENSION - F05
FRONT WHEEL - F07
FUEL INJECTION SYSTEM - F15-4
FUEL TANK - F12-V1
FUEL TANK - F12-V2
GEAR SHIFTING - F32
INTAKE MANIFOLD ASSY. - E02-5
LEFT CRANKCASE ASSY. - E01-1-V1
LEFT CRANKCASE ASSY. - E01-1-V2
LEFT CRANKCASE COVER ASSY. - E01-4
LIGHT - F16-A
LIGHT(POLICE) - F16-B
LOCK KIT(ORDINARY) - F01-A
LOCK KIT(SUMITOMO) - F01-B
MAGNETO ASSY.(WITH EPS) - E03-B
MAGNETO ASSY.(WITHOUT EPS) - E03-A
MIDDLE PLASTIC - F04-2
MUFFLER - F02-A
MUFFLER - F02-B
MUFFLER - F02-C
MUFFLER - F02-D
OIL COOLING SYSTEM - F18-2
OIL PUMP ASSY. - E07
OWNER'S MANUAL - F38
REAR AXLE - F33
REAR CV SHAFT - F28-A
REAR CV SHAFT - F28-B
REAR CV SHAFT - F28-C
REAR PLASTIC - F04-3
REAR SUSPENSION - F06
REAR WHEEL - F11
REFLECTIVE LABEL - F19-J
RIGHT CRANKCASE ASSY. - E01-2
RUSSIAN CHARACTER DECALS - F19-E
RUSSIAN WARNING DECALS - F19-A
SEAT (ORDINARY) - F13-A
SEAT(FOR 5-POINT BELT) - F13-B
SIDE DOORS - F37
STARTING SYSTEM - E09
STEERING SYSTEM(WITH EPS,CCVI STEERING TIE-UP) - F10-B-B
STEERING SYSTEM(WITH EPS,CCVI STEERING TIE-UP) - F10-B-C
STEERING SYSTEM(WITH EPS,SOMIC STEERING TIE-UP) - F10-B-A
STEERING SYSTEM(WITHOUT EPS,CCVI STEERING TIE-ROD) - F10-A-B
STEERING SYSTEM(WITHOUT EPS,CCVI STEERING TIE-ROD) - F10-A-C
STEERING SYSTEM(WITHOUT EPS,SOMIC STEERING TIE-ROD) - F10-A-A
THREE POINT SEAT BELT - F34-A
TOOLS - F20
TOWBAR (SPLIT) - F40-B
TOWBAR (UNITARY) - F40-A
TOWBER(2018 CONDITION) - F40-C-V2
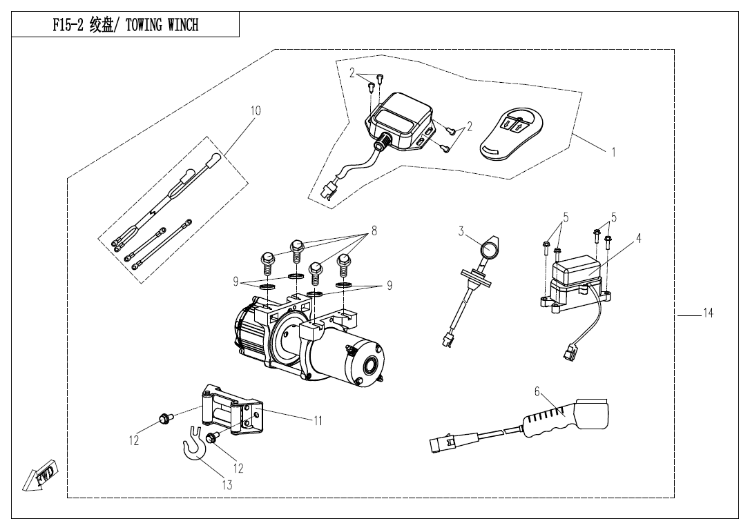
TOWING WINCH - F15-2
TRANSMISSION SYSTEM (1) - E06-1-V1
TRANSMISSION SYSTEM (2) - E06-2
TRANSMISSION SYSTEM(1) - E06-1-V2
TRANSMISSION SYSTEM(2,NA) - E06-2-B-V1
TRANSMISSION SYSTEM(2,NA) - E06-2-B-V2
TRANSMISSION SYSTEM(3) - E06-3
U8 CHARACTER DECALS - F19-F
U8 INJECTED BLACK CHARACTER DECALS - F19-G
U8 INJECTED PEARL BLUE CRYSTAL ORANGETITANIUM GREYNEW MAPLE CAMO CHARACTER DECALS - F19-H
WATER COOLING SYSTEM - F18-1
WATER PUMP ASSY. - E08