CONTACT Mardi - Jeudi - Vendredi UNIQUEMENT de 14h à 17h
Contactez-nous !
cliquez
ici
Bienvenue !
Mon compte
Pièces d'origine CFMOTO
Pièces d'origine Quad CFMOTO
Catalogue d'accessoires
Huiles et lubrifiants
Tous nos sites
Manuel d'atelier
Mon compte
Pièces d'origine CFMOTO
Pièces d'origine Quad CFMOTO
Catalogue d'accessoires
Huiles et lubrifiants
Tous nos sites
Manuel d'atelier
Nous contacter
CF800AU-2AF
AIR FILTER ASSY - F41
AIR INJECTED SYSTEM - F00-3-V1
AIR INJECTED SYSTEM - F00-3-V2
BOTTOM PLASTICS - F04-5-V1
BOTTOM PLASTICS - F04-5-V2
BRAKE SYSTEM-LH,PARKING - F08-A
BRAKE SYSTEM-RH,PARKING - F08-B
BUMPER - F23-V2
CAMSHAFT OF CYLINDER 1 ASSY - E02-4
CAMSHAFT OF CYLINDER 2 ASSY - E02-7
COOLING SYSTEM - F18-V2
CRANKSHAFT_CONNECTING ROD_PISTON ASSY - E04-V2
CVT AIR PIPE - F00-2
CVT ASSY - E05
CVT CASE ASSY - E01-3
CYLINDER BODY - E02-3
CYLINDER HEAD COVER ASSY - E02-1
CYLINDER HEAD NO.1 ASSY - E02-2-V2
CYLINDER HEAD NO.2 ASSY - E02-6-V2
DASHBOARD - F17
DECAL WARNING - F19-2
DECAL,2023(LAVA ORANGE@^NEW ROYAL BLUE@^GHOST GRAY) - F19-1-A
DECAL,2023(TRUE TIMBER CAMO) - F19-1-B
DRIVETRAIN SYSTEM - F30
ELECTRIC SYSTEM - F15-1-V2
ELECTRIC SYSTEM - F15-1-V3
ENGINE GASKET SET - E29
ENGINE MOUNTING PARTS - F00-1
ENGINE OIL SEAL @^O-RING - E30
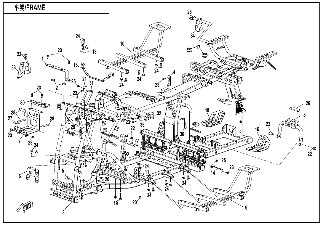
FRAME - F03
FRONT AXLE - F31
FRONT CV SHAFT - F27
FRONT PLASTICS - F04-1
FRONT PLASTICS - F04-2
FRONT SHOCK ABSORBER-OIL - F05-2-A
FRONT SHOCK ABSORBER(GAS,RUSSIA) - F05-2-C
FRONT SHOCK ABSORBER(GAS) - F05-2-B
FRONT SUSPENSION - F05-1
FRONT WHEEL - F07
FUEL INJECTION SYSTEM - E17
FUEL TANK - F12
FUEL VAPORIZATION SYSTEM - F36
GEAR SHIFTING - F32-V1
GEAR SHIFTING - F32-V2
HANDLEBAR - F10-1-V1
HANDLEBAR - F10-1-V2
HEAT INSULATION PLATE - F02-2
INTAKE MANIFOLD ASSY - E02-5
LEFT CRANKCASE ASSY - E01-1
LEFT CRANKCASE COVER ASSY - E01-4-V2
LEFT CRANKCASE COVER ASSY - E01-4-V3
LIGHTS - F16
LOCK KIT - F01
LONG BLOCK - E00
MAGNETO ASSY.(600W) - E03
MIDDLE PLASTICS - F04-3
MUFFLER - F02-1
OIL COOLING SYSTEM. - E07-2
OIL PUMP ASSY - E07-1
OWNER'S MANUAL(168) - F38-F
OWNER'S MANUAL(GERMAN) - F38-C
RACK - F14
REAR AXLE(ON CAMMAND) - F33-B-V1
REAR AXLE(ON CAMMAND) - F33-B-V2
REAR AXLE(WITH AUTOMATIC DIFFERENTIAL LOCK) - F33-A-V1
REAR AXLE(WITH AUTOMATIC DIFFERENTIAL LOCK) - F33-A-V2
REAR CV SHAFT - F28
REAR PLASTICS - F04-4-V2
REAR SHOCK ABSORBER(GAS,RUSSIA) - F06-2-C
REAR SHOCK ABSORBER(GAS) - F06-2-B
REAR SHOCK ABSORBER(OIL) - F06-2-A
REAR SUSPENSION(CASTING) - F06-1-V1
REAR SUSPENSION(CASTING) - F06-1-V2
REAR WHEEL - F11
REFLECTOR - F04-6
RIGHT CRANKCASE ASSY - E01-2
SEAT(BLACK AND GRAY) - F13-B
SEAT(BLACK) - F13-A
STARTING SYSTEM - E09
STEERING SYSTEM - F10-2-A
STEERING SYSTEM(EPS) - F10-2-B-V2
TOOLS - F20
TOWBAR - F40-V2
TOWING LABEL - F19-3
TOWING WINCH - F15-2-V1
TOWING WINCH - F15-2-V2
TRANSMISSION SYSTEM(1) - E06-1
TRANSMISSION SYSTEM(2) - E06-2-V2
TRANSMISSION SYSTEM(3) - E06-3
WATER PUMP ASSY. - E08