CONTACT Mardi - Jeudi - Vendredi UNIQUEMENT de 14h à 17h
Contactez-nous !
cliquez
ici
Bienvenue !
Mon compte
Pièces d'origine CFMOTO
Pièces d'origine Quad CFMOTO
Catalogue d'accessoires
Huiles et lubrifiants
Tous nos sites
Manuel d'atelier
Mon compte
Pièces d'origine CFMOTO
Pièces d'origine Quad CFMOTO
Catalogue d'accessoires
Huiles et lubrifiants
Tous nos sites
Manuel d'atelier
Nous contacter
CF500
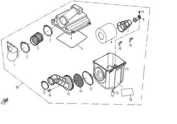
AIR FILTER ASSY - F34
AIR FILTER ASSY. - F29
CAMSHAFT ASSY. - E11
CARBURETOR - E26
CLUTCH @^ CVT - E14
CLUTCH ASSY. - E18
CLUTCH HOUSING - E17
CRANKCASE ASSY - E01
CRANKCASE COVER (LEFT) - E05
CRANKSHAFT, PISTON, BALANCER - E13
CVT COOLING SYSTEM - F25
CVT HOUSING - E04
CYLINDER BODY - E10
CYLINDER HEAD - E09
CYLINDER HEAD @^ CYLINDER ASSY. - E07
CYLINDER HEAD COVER - E08
ELECTRIC SYSTEM - F19
ENGINE SKID PLATE - F31
FRAME - F22
FRONT AXLE - F32
FRONT SUSPENSION ASSY - F15
FRONT WHEEL - F10
FUEL TANK - F13
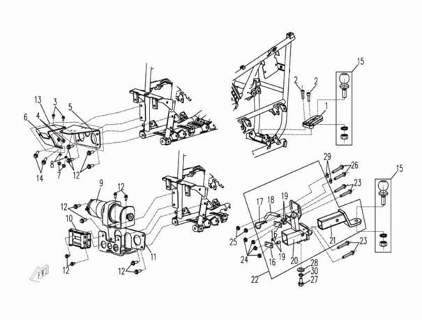
GEAR SHIFTING - F24
HANDLEBAR -01 - F03
HANDLEBAR -02 - F04
HEADLIGHT - F01
HYDRAULIC BRAKE SYSTEM - F20
LEFT CRANKCASE - E02
LEFT SIDE COVER ASSY - E06-1
LEFT SIDE COVER ASSY(GOES) - E06-2
MAGNETO STATOR ASSY. - E12
MUFFLER - F14
ODOMETER - F02
OIL PUMP - E22
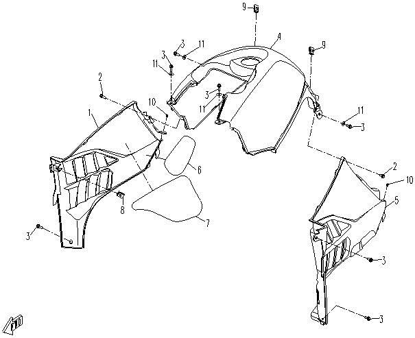
PLASTICS-1 - F05
PLASTICS-2 - F06
PLASTICS-3 - F07
PLASTICS-4 - F08
PRIMARY SHEAVE - E15
RACK@^BUMPER-1 - F23-1
REAR AXLE - F33
REAR SUSPENSION ASSY - F16
REAR TURN LIGHT - F17
REAR WHEEL - F11
RECOIL STARTER - E25
RIGHT CRANKCASE - E03
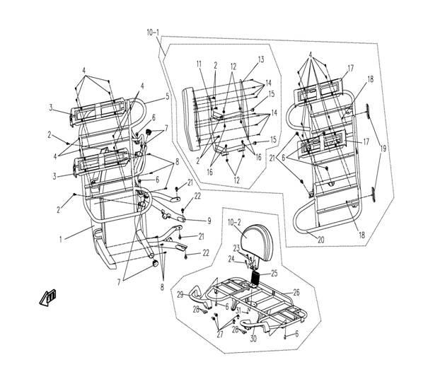
SEAT ASSY - F12
SEAT ASSY - F21
SECONDARY SHEAVE - E16
STARTING MOTOR - E24
STEERING SYSTEM - F09
STICKERS - F28
TAIL LIGHT - F18
TOOLS - F27
TRANSMISSION â - E19
TRANSMISSION â ¡ - E20
TRANSMISSION â ¢ - E21
TRANSMISSION SYSTEM - F26
WATER PUMP ASSY. - E23
WINCH ASSY - F35
WINCH@^TOWING - F30