CONTACT Mardi - Jeudi - Vendredi UNIQUEMENT de 14h à 17h
Contactez-nous !
cliquez
ici
Bienvenue !
Mon compte
Pièces d'origine CFMOTO
Pièces d'origine Quad CFMOTO
Catalogue d'accessoires
Huiles et lubrifiants
Tous nos sites
Manuel d'atelier
Mon compte
Pièces d'origine CFMOTO
Pièces d'origine Quad CFMOTO
Catalogue d'accessoires
Huiles et lubrifiants
Tous nos sites
Manuel d'atelier
Nous contacter
CF500-2A
AIR FILTER - F33
AIR FILTER ASSY - F28
CAMSHAFT ASSY. - E11
CARBURETOR - E26
CLUTCH @^ CVT - E14
CLUTCH ASSY. - E18
CLUTCH HOUSING - E17
COOLING SYSTEM - F21
CRANKCASE ASSY - E01
CRANKCASE COVER (LEFT) - E05
CRANKSHAFT, PISTON, BALANCER - E13
CVT COOLING SYSTEM - F25
CVT HOUSING - E04
CYLINDER BODY - E10
CYLINDER HEAD - E09
CYLINDER HEAD @^ CYLINDER ASSY. - E07
CYLINDER HEAD COVER - E08
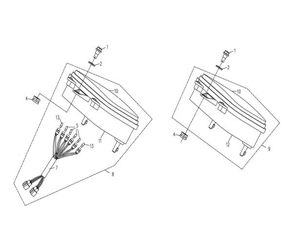
DASHBOARD - F02
ELECTRIC SYSTEM - F19
ENGINE SKID PLATE - F30
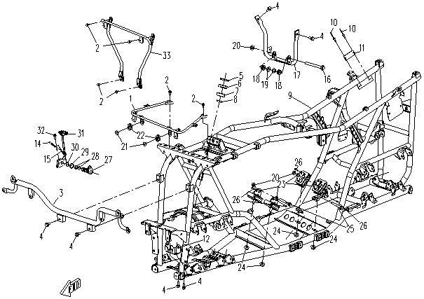
FRAME - F22
FRONT AXLE - F31
FRONT SUSPENSION - F15
FRONT TURN LIGHT - F17
FRONT WHEEL ASSY - F10
FUEL TANK - F13
GEAR SHIFTING - F24
HANDLEBAR -2 - F04
HANDLEBAR-1 - F03
HEADLIGHT - F01
HYDRAULIC BRAKE - F20
LEFT CRANKCASE - E02
LEFT SIDE COVER ASSY - E06-1
LEFT SIDE COVER ASSY(GOES) - E06-2
MAGNETO STATOR ASSY. - E12
MUFFLER - F14
OIL PUMP - E22
PLASTIC PARTS-01 - F05
PLASTIC PARTS-02 - F06
PLASTIC PARTS-03 - F07
PLASTIC PARTS-04 - F08
PRIMARY SHEAVE - E15
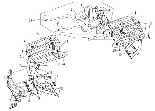
RACK@^ BUMPER - F23
REAR AXLE - F32
REAR SUSPENSION - F16
REAR WHEEL ASSY - F11
RECOIL STARTER - E25
RIGHT CRANKCASE - E03
SEAT ASSY - F12
SECONDARY SHEAVE - E16
STARTING MOTOR - E24
STEERING SYSTEM - F09
STICKERS - F35
TAIL LIGHT - F18
TOOLS COMP. - F27
TRANSMISSION â - E19
TRANSMISSION â ¡ - E20
TRANSMISSION â ¢ - E21
TRANSMISSION SYSTEM - F26
WATER PUMP ASSY. - E23
WINCH - F34
WINCH@^TOWING - F29